Drainage Handbook
Sustainability Report 2025
Water Management Catalog
Careers
Blog
Wastewater Solutions
Search
Nav
Water Harvesting
Main Navigation
Water Harvesting
Commercial
Warehouse / Industrial
Pipe
Main Navigation
Pipe
N-12 Dual Wall
HP Storm Dual Wall
Mega Green Dual Wall
Single Wall
SaniTite HP
PolyFlex Pressure
Triple Wall
AdvanEdge
Fittings
Water Management Solutions
Main Navigation
Water Management Solutions
StormTech
Nyloplast
Water Quality
Detention / Infiltration
Inserta Tee
Onsite Leach
Geosynthetics
Basins and Linear Drains
Specialty Products
Markets
Main Navigation
Markets
Agriculture
Airports & Ports
Federal
Commercial & Mixed Use
Healthcare & Education
Landfill
Mining
Parking
Residential
Sports Turf & Golf
Timber
Transportation
Resources & Tools
Main Navigation
Resources & Tools
Document Library
FAQS
Online Tools
Video Library
Case Studies
Find A Pro
Start a Project
844-ADS-PIPE
Start a Project
Home
Resources & Tools
Documents
View Document
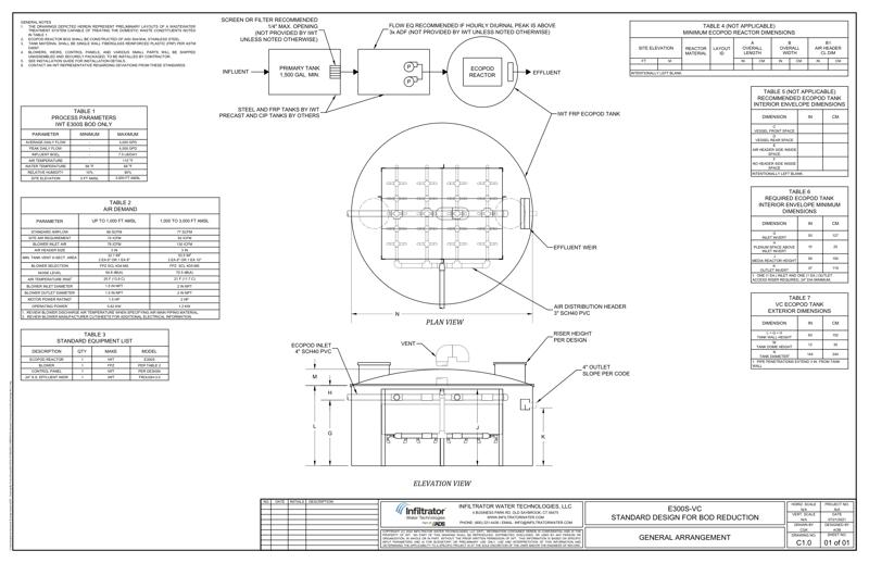
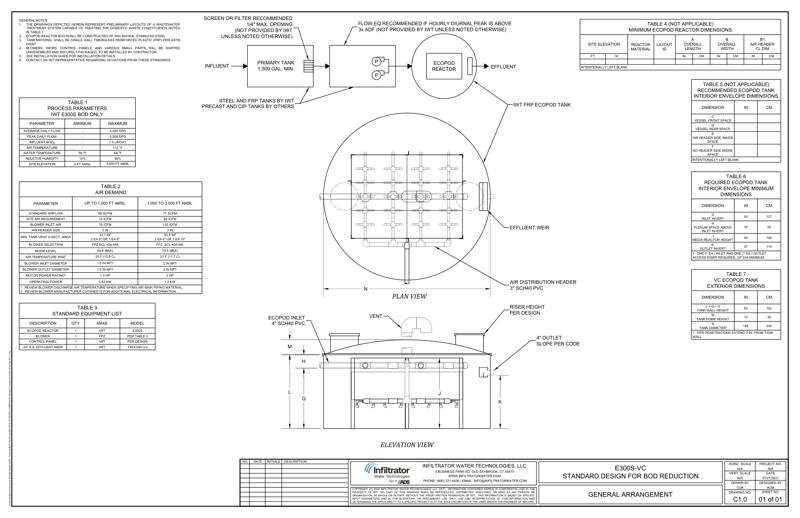
E300S-VC BOD Standard Detail
Filename:
E300S-VC BOD Standard Detail.pdf
Download Document (pdf)
View in Browser
Looking for something else?
View Document Library