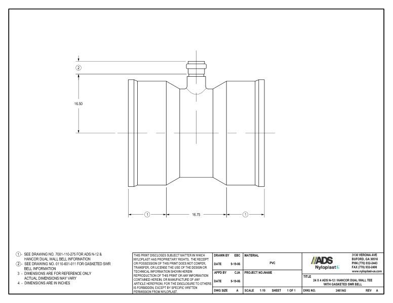
24 x 4 N-12 Dual Wall Tee with Gasketed SWR Bell Nyloplast Detail
Filename:
24 x 4 N-12 Dual Wall Tee with Gasketed SWR Bell Nyloplast Detail.pdf

This document is the 24 x 4 N-12 Dual Wall Tee with Gasketed SWR Bell Nyloplast Detail. Dimensions and nyloplast illustration shown.
A note on dimension 1 references Hancor Dual Wall Bell for more information. Note 2 refers to a drawing for gasketed SWR Bell information. A note on dimension 3 states that dimensions are for reference only. Note 4 specifies that dimensions are in inches.
An illustration showing the dimensions is provided.